BMS 구성 및 기능들
BMS는 기본적으로 Embedded system입니다. ( 임베디드 시스템은 목적을 기반으로 만들어진 전자기기라는 말로 특정한 응용 분야에서 처리 기능 또한 가지고 있습니다. )
BMS의 존재 이유 또는 주목적은 다음과 같이 정리할 수 있습니다.
- Host application에 장착되어 unsafe 한 상황과 조건에 대해 감지하고 사용자를 보호하는 것
- 배터리 셀을 abuse 또는 failure 같은 상황들에 대해서 셀을 보호하는 것
- 배터리의 수명을 길게 유지시키는 것
- 기능적인 설계 요구조건들을 만족시키기 위한 배터리 셀 상태를 유지하는 것
- host-application의 control computer에 팩의 최적 사용 way를 즉각 제시해주는 역할
General BMS functionality (1 of 5)

BMS는 배터리 팩의 모든 구성 요소들과 Host application control computer 와도 연결이 되어 있기 때문에 중간의 위치에서 명령을 받거나 또는 명령을 내리거나 하는 역할을 수행하게 됩니다.
BMS의 대표적인 기능들
-
Sensing & High-Voltage control
전압, 전류, 온도를 측정하고 contactor와 pre-charge를 조절하며 ground-fault를 감지하고 thermal management를 수행합니다. -
Protection against
과충전, 과방전, 과 전류의 상황들과 short-circuit, 및 극도의 온도 상황에 대해 시스템을 보호하는 역할을 합니다 -
Interface
범위를 추정하고 통신이나 데이터를 기록하고 보고하는 역할을 수행합니다. -
Performance Management
SOC (State of charge) 추정, 파워 제한 수치를 계산 및 cell의 상태에 대해 balancing & equalizing을 수행합니다. -
Diagnostics
Abuse detection, SOH (State of Health) estimation, SOL (State of Life) estimation
해당 기능들에 대해 다루기 전에 배터리를 구성하는 방법에 대해서 먼저 적어보도록 하겠습니다.
High Power를 보장하는 배터리는 고 전압, 고 전류를 제공할 수 있습니다. 그러나 각 셀의 전압 범위는 화학 성분에 따라서 다른데 고 전압을 얻기 위해서는 직렬연결이나 많은 전류를 위해서는 병렬 연결 방식등을 채택하여 고 전압, 고 전류를 보장하는 배터리 팩을 만들수 있습니다.
직렬 연결 ( Series )
직렬로 연결할 때 기본 공식은 다음과 같습니다. 각 셀이 가진 전압이 일정하다고 가정할 때 전압에 셀 개수를 곱하게 되면 팩의 전압이 되겠습니다.

병렬연결 ( Parallel )
병렬 연결로 진행을 한다면 고등학교와 중학교에서 배웠듯이 전압의 변화는 없으나 전류는 cell의 개수에 따라서 증가하게 되어서 하단의 식과 같이 표현됩니다.

마찬가지로 capacity 또한 병렬로 연결 시 개수에 따라서 증가하게 됩니다.

최종적으로 total 한 팩의 에너지와 파워를 구하기 위해서는 다음과 같이 표현됩니다. 에너지는 커패시터와 전압의 곱이며 파워는 전류와 전압의 곱으로 표현되기 때문에 각각의 배치에 dependent 한 개수를 곱하면 됩니다.

직렬과 병렬의 배치에 따라서 결정되는 n_s와 n_p는 모두 경제적인 요인, 즉 돈을 얼마나 적게 들이면서 원하는 전압과 전류를 내도록 설계할 것인가라는 생각과 또한 안전 마진을 지키기 위한 고려가 녹아들어 가 있습니다.
예를 들어서 전자장비의 파워를 제한하고 싶어서 전압을 600V 이하로 맞추기 위해서는 현재 전압을 고려하고 있는 상황이기 때문에 직렬 배치로 된 n_s 개수가 limit가 생길 것이며, 효율성을 위해서 전류를 줄여서 i^2*R의 손실을 줄이고자 한다면 병렬 배치에 영향을 받는 n_p 개수를 줄이면 됩니다.

2 P3 S : 2개의 병렬로 된 셀과 3개의 직렬로 된 셀로 구성된 module을 부르는 말.
보통의 전기자동차 팩은 동일한 모듈을 사용하는데 예를 들어서 닛산(Nissan)의 Leaf 팩 같은 경우 2S2P의 모듈로 구성된 48개의 팩을 전기자동차 플랫폼에 사용합니다.

모듈은 조립 전에 항상 test를 거치며 구성하는 셀이 작으면 작을수록 다루기 쉬워지며 이상적으로는 동일한 모듈을 다른 범위를 가진 팩에 사용을 함으로써 NRE cost 즉 초기 개발비를 줄일 수도 있는 장점도 있습니다.
Design of Modules
모듈을 설계하기 위해서 2가지 타입이 존재합니다.
- Parallel-cell Modules - PCM
ex ) 96개의 셀에서 3개씩 평형으로 32개의 묶음으로 구성되는 형태

2. Series-cell Modules - SCM
ex ) 96개의 셀에서 32개가 직렬로 구성되어 총 3개의 묶음으로 구성되는 형태

BMS architecture
BMS는 Master와 Slave로 구성됩니다. 그리고 각각의 셀 단위에서 팩으로 그리고 중앙 제어 장치까지 연결되어 명령을 내리고 명령을 받기 위해서는 BMS는 다음과 같은 아키텍처로 구성됩니다.

Master와 Slave 간의 연결은 2개의 선으로 연결되어 있으며 최소한의 2개의 선으로만 구성하는 이유는 배선(wiring-harness)의 어려움 등을 최소화시키기 위한 목적도 있습니다. BMS는 master와 Slave 사이에서 계층적인 구조로 구성되며 하나의 slave unit은 각각의 모듈들과 연결되어 있는데 Slave PCB와 모듈의 셀들이 용접 또는 볼트로 고정되어 선 작업이나 선의 소실 등의 상황을 최소화하도록 보통 구성이 됩니다. Master의 역할은 팩의 전류를 측정하며 contactor를 제어합니다. 또한 Slave와의 통신을 하며 daisy chain 또는 star 구조로 구성되어 있습니다.
BMS Slave Role

Slave는 모듈 내의 모든 셀에 대해서 온도 및 전압을 측정하게 됩니다. 또한 모든 셀에 대해서 에너지를 balance 하는 역할을 수행하게 되는데 각각의 셀들이 제조 방식이 동일하여도 화학적 구성의 비율이 다르며 또한 내부적으로 불량이 있을 수 있기 때문에 전체적인 에너지 밸런싱 작업을 하기도 합니다. 그리고 slave로부터 얻어진 정보는 master로 정보를 보내는 역할을 수행하기도 합니다.
추가적으로 다른 곳에 적용된 Slave가 다른 팩에서 다시 Slave 역할로 적용이 될 수 있는데 즉 재활용이 가능한 경우가 많은데 PCB의 연결 상태 등을 바꾸거나 하지 않아도 되며 또한 셀의 화학 성분이 달라서 전압이나 온도 특성이 다르지만 장비를 적용이 가능한 상황이라면 소프트웨어 수정을 통해서 정보 받는 역할을 다시 수행할 수도 있습니다.
BMS Master Role

Master의 역할은 Load와 배터리가 연결되어 있는 contactor들을 제어하며 또한 팩의 전류와 isolation 상황에 대해서 모니터링을 시행합니다. 또한 각 셀들에 대한 정보를 얻기 위해서 Slave 쪽과 통신을 하며 그리고 받은 정보들을 종합하여 Host-Application 제어기로 넘겨주는 통신을 수행합니다. 마찬가지로 Master 또한 팩 내부의 열 관리를 수행합니다.
Master의 재활용성에 대한 것은 Slave 보다 어렵습니다. Contactor의 개수나 타입에 따라서 어떻게 적용해야 하는지도 다르며 전류 센서나 charger의 방법이나 열관리 방법에 따라서 하드웨어가 바뀌어야 하는 필요가 있을 수 있습니다.
위에서는 BMS의 구성에 대해서 간략하게 적어보았으며 이제 BMS의 기능들에 대해서 어떻게 수행하는지에 대해서 적어보겠습니다.
1a. Sensing and high-voltage control
첫 번째 BMS의 기능은 고전압에 대해서 측정하고 제어하는 역할을 합니다.
ADC

우선 측정을 하기 위해서는 ADC 즉 Analog to Digital Converter를 이용하게 됩니다. ( 동일 명칭 A-D, A/D, A2D or A-to-D )
현재 우리가 존재하는 세상은 아날로그 신호로 이루어져 있습니다. 해당 신호들은 열이나 움직임을 일으키는 에너지와 같이 존재하게 되는데 이러한 것들을 전압의 변화, 즉 디지털 한 신호(0과 1)로 표현하여 우리가 전압과 같은 수치로 볼 수 있도록 하는 장치가 바로 센서 내부의 ADC 역할입니다. 그리고 반대로 DAC는 Digital 신호를 아날로그 신호로 바꾸게 되는데 해당 역할을 통해서 디지털 세상과 물리적인 세상이 소통하게 되는 매개체가 됩니다. 몇몇의 ADC 구조에서 direct-conversion 또는 flash 작업을 수행하기 위해서 수많은 비교기(Comparator)들을 사용하며 비교기는 어떤 기준이 되는 전압을 이용하여 현재의 들어온 신호가 얼마의 전압을 가질지를 판별하게 됩니다.
성공적인 근사에 대해서는 DAC (Digital to Analog Converter)를 통해서 비교를 하게 되며 차이가 있을 때 피드백을 전달하여 다시 DAC 신호를 수정하고 정확도를 높이는 과정을 진행하게 됩니다. ADC가 신호를 정밀하게 바꾸기 위해서 분해능이라는 것을 가지고 있습니다. 분해능은 아주 작은 변화까지 체크하는 단위이며 연속적이지는 않으나 각각의 step size가 매우 작기 때문에 discrete해도 신호를 자세한 전압으로 바꿀 수 있습니다.

ADC가 만약 M bit의 출력을 가지고 있다면 2^M개의 출력 코드로 표현이 가능합니다.
예를 들어서 ADC의 입력 범위가 0~5V의 범위를 가지고 있으며 16bit의 정확도를 가지고 있다고 했을 때 resolution, Q는 (5V-0V) / 2^16 = 76 x10^(-6) V 즉 76 마이크로 볼트까지 신호를 쪼개어서 표현이 가능합니다. 해당 전압은 제시된 ADC의 최소 표현의 전압으로써 종종 least-significant bit voltage라고 불려지기도 합니다. 여기서 더 작아진다면 어떠한 신호가 들어오면 위에 사진처럼 네모처럼 쪼개어지는 게 아니라 실제의 신호와 근사한 유형의 polynomial 그래프로 표현이 가능할 수가 있습니다.
ADC의 정확도는 실제의 값과 연산된 값의 비교를 통해서 판단하게 됩니다. 그러나 차이가 발생을 할수가 있는데 대표적인 4가지 요인이 있습니다.
- Quantization error : 양자화 오류라는 의미로 -Q/2 ~ Q/2까지의 측정이 불가능한 구간에 의해 발생됩니다.
- Offset error : 이상적인 값과 측정된 값 사이에서 지속적인 차이가 전체 측정 구간에서 일어나는 상황입니다.
- Gain error : 이상적인 값과 측정된 값의 기울기 차이가 %로 표현되며 전체 측정 구간에서 일어나는 상황입니다.
- Nonlinear error : 실제와 이상적인 값의 deviation이 발생하는 문제로 ADC 카운트로 표현됩니다.

ADC에 영향을 주는 다른 고려사항들이 있습니다. 첫 번째로 온도는 위에서 언급된 offset/gain/nonlinear error 함수의 매개변수가 되기 때문에 온도가 높은 곳이거나 낮은 곳에서의 ADC 값은 정확한 값을 출력하지 못합니다.
두 번째로는 Timing jitter입니다. jitter는 시간에 이상적인 위치에 대하여 짧은 시간에 나타난 신호의 차이를 말하며 샘플링된 샘플들의 시간 절대 간격이 균일하지 못할 때 생기는 현상을 말합니다.
세 번째는 Aliasing입니다. 나이키스트 샘플링 이론에 따라서 샘플링 비율이 적어도 입력 신호의 최고 주파수보다 2배 이상 높아야 합니다. 만약 2배가 안된다면 고 주파수를 가진 입력 신호에 대해서 alising 되어서 저 주파수로 인식되게 되는 즉, 신호 처리에서 표본화를 하는 가운데 각기 다른 신호를 구별해내지 못하게 하는 효과가 일어나게 됩니다.
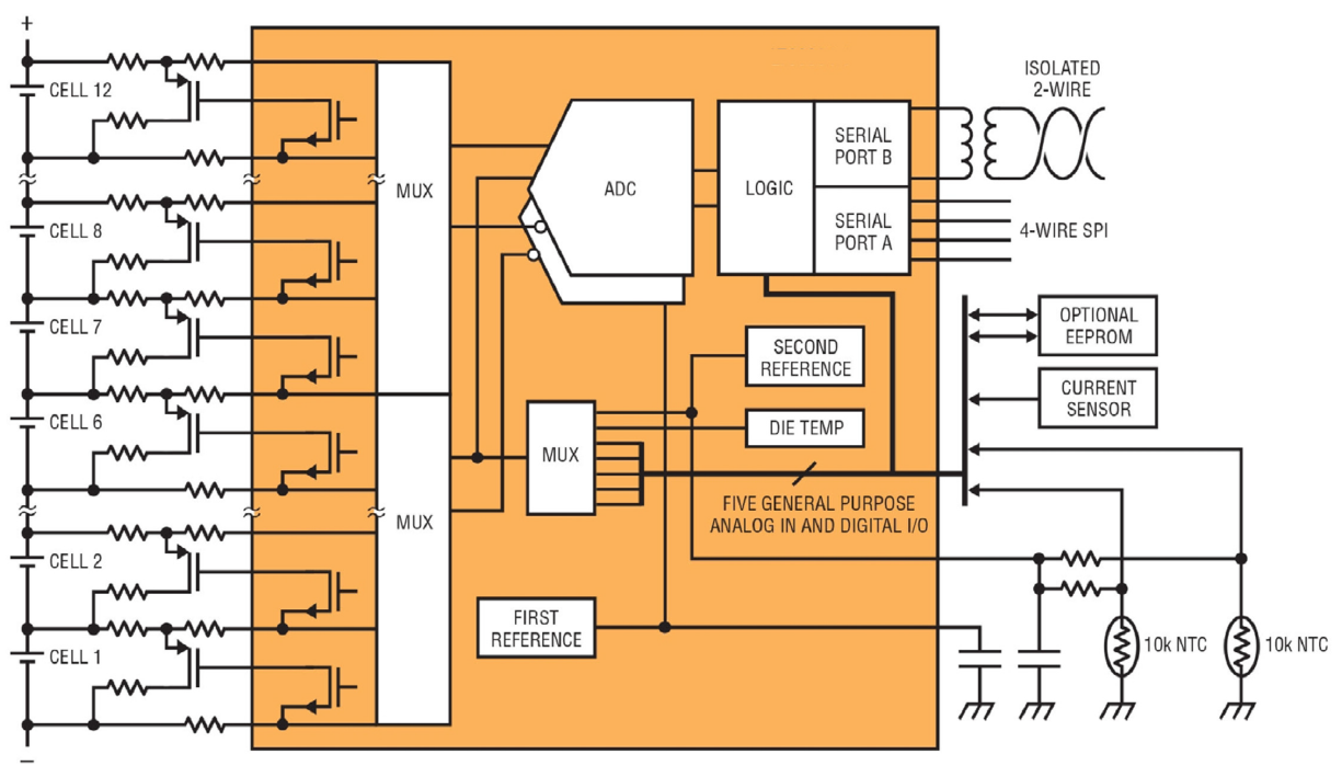
chipsets
BMS에서 고전압을 다루기 위해서 특별한 칩셋이 들어가게 됩니다. 칩셋은 높은 정확도로 A2D 기능을 수행하기 위해서 들어가기도 하며 해당 기능을 위해서 높은 전파 방해 능력을 기반으로 빠른 응답과 높은 열과 높은 진동 환경에서도 잘 수행되어야 하는 requirement가 존재합니다. 때문에 redundant 한 칩셋이 포함되어서 시스템을 지속적으로 운영할 수 있도록 돕습니다.
( 칩셋 vender - Texas Instruments, Maxim, Analog Devices )
예를 들어서 LTC 6811 칩은 Anolog Device 회사에서 만들어진 칩셋입니다.

해당 칩셋은 12개의 직렬 셀이 들은 모듈에 대해서 모니터링할 수 있으며 또한 100개의 셀이 들은 팩에도 모니터링이 가능합니다. 그리고 내부 또는 외부에서 셀의 상태를 안정적 이도록 하는 전자회로 추가에 대한 지원을 하며 모듈 자체에서 파워를 얻을 수도 있고 또는 외부에서 파워를 얻어 작동됩니다.
1b. Battery-pack sensing: Temperature
2번째로 온도 센싱입니다. 온도는 전자기기나 배터리에 아주 영향을 많이 주는 변수이자 요인입니다. 낮은 기온에서 충전이 안 되는 현상이 발생할 수 있으며 갑작스러운 온도 변화로 인하여 셀의 고장이나 또는 안전에 위협을 가할 수 있습니다.
BMS는 아니지만 온도를 측정하기 위해 대표적으로 Thermocouple을 사용합니다. 전자장비로는 온도를 직접적으로 잴 수 없기 때문에 위에서 언급한 A2D 기능이 있는 센서를 사용해야 합니다. 대표적인 방법으로는 온도와 전압이 비례하게 표현하는 thermocouple입니다. 해당 센서는 비슷하지 않은 2개의 metal로 구성이 붙어있습니다. 그리고 기준 온도보다 차이가 발생하게 되면 thermocouple은 작은 전압을 생성하게 되는데 해당 수치를 증폭하거나 측정하여서 디지털 한 신호로 관찰을 할 수가 있습니다.

그러나 적용을 하기 위해서는 기준 온도는 반드시 독립적으로 알아둬야 하거나 측정되어야 하기 때문에 보편적으로 연구실에서 많이 사용되며 BMS 설계에서는 들어가지 않습니다.
대신 Thermistor를 사용하는데 해당 전기적 장치는 온도 변화에 따라 저항이 변하는 성질을 가지고 있기 때문에 저항값을 아는 것은 곧 온도를 계산할 수가 있습니다.

Thermistor는 2가지로 나뉩니다.
- Negative temperature coefficient (NTC) - 온도 변화와 반대로 변하는 저항을 가진 서미스터입니다.
- Positive temperature coefficient (PTC) - 온도변화와 비례하게 변하는 저항을 가진 서미스터입니다.
그러나 서미스터에 걸리는 전압을 한 번에 측정을 할 수가 없기 때문에 다른 저항과 같이 붙여서 서미스터에 걸리는 전압을 구하기 위해 Voltage-divider circuit(분압기 회로)을 이용하여 전압을 측정하게 됩니다.

그러나 서미스터에 걸리는 전압을 한번에 측정을 할수가 없기 때문에 다른 저항과 같이 붙여서 서미스터에 걸리는 전압을 구하기 위해 Voltage-divider circuit(분압기 회로)을 이용하여 전압을 측정하게 됩니다.


만약 V_therm을 성공적으로 알아내었다면 다시 식을 재배열을 하여 R_therm을 구할 수가 있습니다.

모든 전자 부품은 데이터 시트(Data Sheet)가 존재합니다. 해당 문서에는 각 부품들의 특징들에 대해서 기록이 되어있는데 서미스터도 마찬가지로 온도에 따른 R_therm을 구하는 공식이 제공되어 있습니다.

T는 측정된 온도이며 R_0는 기준온도 T_0일 때의 저항이며 273.15는 캘빈 온도로 바꾸기 위해서 사용되었습니다. 그리고 베타 계수는 장비의 파라미터에 영향을 받습니다.
예를 들어서 하단에는 NTC 가 적용된 장비의 온도에 따른 저항, 전압의 변화를 그래프로 나타낸 것으로 R_0가 100k(ohm), T_0 = 25도, 베타 = 4282일 때입니다.

1c. Battery-pack sensing: Current
다음은 전류 센싱입니다. 전류를 측정하는 이유는 배터리 팩의 안전과 abuse 한 조건에 대해 기록하며 진단하고 그리고 SOC 및 SOH 추정을 위한 알고리즘에 적용됩니다. 그러나 전류를 직접적으로 알아내는 것은 불가능하기 때문에 반드시 전압으로 바꾸고 그리고 A2D를 통해 측정을 하게 됩니다.
전류를 측정하기 위한 2가지 방법이 있습니다.
- Using a Resistive Shunt
- Using a hall-effect mechanism
먼저 shunt 전류 센서부터 적어보도록 하겠습니다.

션트 센서는 매우 작은 고 밀도의 저항(0.1m(ohm))입니다. 배터리 팩에서 직렬로 붙어있으며 보편적으로 낮은 전압에서 사용됩니다. 마찬가지로 V=IR을 통해서 계산이 되며 다만 션트는 저항이기 때문에 작더라도 전압 강하를 일으킵니다. 때문에 큰 파워 손실이 일어나지 않도록 하기 위해서 저항을 작게 만듭니다.

때문에 션트에 걸리는 전압은 증폭되거나 또는 전류를 구하기 위해서 위의 식에 값이 적용되어 사용됩니다. 션트를 이용하여 전류를 측정하기 위해 위쪽의 큰 terminal 같은 경우는 배터리가 쌓인 음극 terminal로 연결되며 다른 쪽은 배터리 팩의 출력 음극에 연결됩니다. 팩 전류는 평형으로 이뤄진 plate들을 통과하게 되는데 이때 calibrated 된 저항 값을 형성하게 되고 하단의 2개의 작은 나사로 sensing 납이 연결이 되어 측정되게 됩니다. 연결하는 선은 총 4개로써 이러한 연결을 Kelvin connection이라고 부릅니다.
션트를 이용하여 전류를 센싱 하는 특징들이 있습니다. 파워와 센싱의 연결은 반드시 분리되어서 연결되어야며 션트는 0의 전류에서 offset을 가지지 않으므로 drift를 피하는데 적절한 장비입니다. 션트의 저항은 온도에 따라서 변하기 때문에 온도에 대한 정보가 반드시 측정되고 그리고 저항과 calibrated 되어야 합니다. 또한 저항을 통해 생성되는 열 (i^2*R)은 반드시 소산 되어야 하며 션트의 신호는 매우 작기 때문에 증폭기를 필요로 합니다.
두 번째 방법은 Hall-effect 전류 센싱입니다.

홀 이펙트 효과는 어떤 한 코일이 전류를 운송하는 컨덕터 주위로 감싸져 있을 때 컨덕터를 통해 가는 전류에 의해서 자기장이 생겨서 코일에 전류가 생기는 원리입니다. 때문에 홀 이펙트 센서는 발생된 유도전류를 측정해서 주 전류를 추정하게 됩니다.
홀 이펙트 센서의 특징은 팩의 전류와 isolated 되어 있기 때문에 특별한 isolation 회로가 필요로 하지 않으며 다만 센서 자기장 hysteresis 현상에 대해서 피드백 circuitry 가 필요합니다.
1d: High-voltage contactor control
BMS의 기능 중 4번째는 고전압 contactor를 제어하는 것입니다.
우선 접촉기(Contactor)는 주회로의 전기를 켜거나 끌 수 있는 장치이자 스위치라고 생각하시면 되겠습니다. 배선용 차단기나 누전 차단기는 분전반과 배전반에서 기기를 쉽게 볼 수 있으나 접촉기 같은 경우는 조금 흔하지 않은 개념인데 BMS나 전자장비의 내부의 회로에 장착되어서 사용되고 있기 때문입니다. 배터리 팩을 사용하지 않을 때는 내부 고전압 버스가 고전압 충격 위험에 대해서 방지하기 위해 양의 단자와 음의 단자 모두에서 부하에서 완전히 분리되어야 합니다. 두 단자를 부하에서 분리할 수 있으려면 전원이 켜져 있을 때 대량의 전류를 전도할 수 있는 일종의 전자식 제어 온 오프 스위치가 필요로 한데 이 스위치 중 하나가 배터리 팩의 양극 단자를 부하에 연결하는 데 사용됩니다.
하단의 사진에서 우선 빨간색과 검은선은 접촉기를 제어하는 전류 전선입니다. 그리고 상단의 나사 단자는 고전류 운반선을 연결하는 곳이며 빨간색과 검은색 와이어에 전압을 적용 함으로써 접촉기를 닫고 열고를 함으로써 두 개의 나사 단자 사이에 전기적으로 연결을 만들고 전류가 흐르나 막는 역할을 수행합니다.

접촉기가 작동되는 단계입니다.
하단의 사진은 접촉기가 연결되어 있는 다이어 그램입니다. 총 3가지의 접촉기가 연결되어 있고 positive, precharge, negative 접촉기가 붙어있습니다. 그리고 각각의 접촉기에는 코일이 붙어있는데 해당 코일에 의해서 코일이 활성화되면 접촉기가 닫히고 고전류 단자 사이에 연결되며 코일이 비활성화되면 접촉기가 열리고 고전류 단자가 분리됩니다. 그리고 현재 굵은 선은 현재 활성화된 회로의 부분을 보여주고 있습니다.
Step 1: Close negative contactor

첫 번째 단 게로는 Pack은 초기에 rest 상태를 유지하고 있으며 모든 접촉기가 열려있는 상태입니다. 그리고 처음으로 음극의 접촉기가 활성화가 되면 Load의 음극 terminal을 배터리 팩의 음극 terminal로 연결시키는 역할을 수행하게 됩니다.
Step 2: Close precharge contactor

두 번째로는 Precharge 접촉기를 닫는 단계입니다.
이 시점에서 전류는 배터리 팩에서 예비 충전기 저항을 통해 부하로 흐릅니다. 이 부하의 커패시턴스는 이 전류가 흐르기 때문에 충전할 수 있습니다. 그러나 예비 충전 저항의 저항은 커패시터를 얼마나 빨리 충전하는지 제한합니다. 그러면 접촉기가 융합되지 않고 손상이 발생하지 않습니다. 배터리 팩 전류는 이 예비 충전 저항에 의해 제한됩니다. 모든 것이 계획에 따라 진행되면 커패시터 부하가 빠르게 충전되고 다음 단계로 넘어갈 수 있습니다. 그러나 내부의 결함을 위해 확인하는 것도 중요하기 때문에 한 가지 방법으로 저항기의 온도를 모니터링하는 것입니다. 온도가 너무 높아지면 부하는 내부에 약간의 단락이 있을 수 있으며 너무 많은 전류가 유입될 수 있기에 따라서 사전 충전 접촉기를 비활성화하고 음극에 위치한 접촉기를 비활성화하고 배터리 팩을 부하에서 분리할 수 있습니다.
Step 3: Close positive contactor

세 번째 단계는 양극의 접촉기를 닫는 단계입니다.
이 시점에서 3 개의 접촉기 모두 닫혀 있으므로 배터리 팩의 음극 단자가 부하에 직접 연결됩니다.
배터리 팩의 양극 단자는 예비 충전 저항을 통해 부하에 연결되지만 양극 접촉기를 통해 부하에 직접 연결됩니다. 그리고 양극 쪽의 접촉기는 본질적으로 저항이 없기 때문에 , 이 예비 충전 경로는 여전히 활성 상태임에도 불구하고 본질적으로 전류를 전달하지 않습니다.
Step 4: Open precharge contactor

마지막 단계는 사전 충전 접촉기를 여는 것입니다. 사전 충전 접촉기에 대한 코일의 오른쪽 분기를 비활성화하여이 작업을 수행합니다. 이 시점에서 정상적인 팩 작업이 시작됩니다.
배터리 팩을 종료할 때 사전 충전 경로를 다시 활성화하여 팩을 시작한 역순으로 종료하는 것입니다. 그러나 배터리 팩 세트에서 전류가 활발히 유입되고 긴급 상황에서 배터리 팩을 분리하려면 해당 저항기가 등급이 지정된 것보다 예비 충전 저항을 통해 더 많은 전류가 있을 수 있습니다. 결과적으로, 이 저항은 퓨즈로 변하고 파괴될 수 있습니다. 그러나 처음에는 예비 충전 회로가 필요한 모든 이유는 부하가 종종 용량 성이기 때문인데 즉, 부하가 내부에 저장된 에너지의 어느 양을 가지고 있음을 의미합니다. 따라서 모든 접촉기가 비상 상황에서 동시에 열리면 부하의 커패시터는 충분한 에너지를 저장하여 접촉기가 완전히 열려서 아크가 발생하지 않도록 하고 손상을 방지하기 위해 충분한 시간 동안 부하를 공급할 수 있습니다. 따라서 정교한 셧다운 절차 없이 모든 접촉기를 열기만 하면 배터리 팩을 정전 용량 부하에서 분리할 수 있습니다.
1e. Isolation sensing
Isolation을 센싱 한다는 것은 현재 ground fault가 존재하는지를 알아보는 작업입니다. ground fault의 의미는 접지 결함입니다. 접지 결함은 단락의 한 종류로 볼 수 있는데 예를 들어 하단의 그림에서 초록색의 접지선을 통해서 비정상적인 방향으로 전류가 흐르는 것을 접지 결함이라고 합니다.

분석을 위해서 간단한 회로를 도입하였습니다.

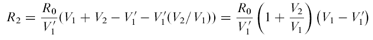
R1, R2 저항은 각각 분압기로써의 역할을 수행하고 있고 각각의 저항에서 낮은 전압이 걸리는 곳이 곧 낮은 저항값을 가지게 됩니다. 실제적으로는 해당 저항들은 물리적으로 존재하지는 않으며 다만 모델링을 위해서 존재합니다. 두 개의 저항값은 무한해야 하지만 결함이 발생하면 저항값이 떨어지게 됩니다. 즉 문제가 발생하였다는 것인데
만약 저항값이 낮은 곳을 알아내기 위해서 R0 큰 저항을 양극 쪽 배터리와 새시 사이에 위치시킵니다.

그리고 KCL ( Kirchhoff's current law )를 적용시켜서 하단의 식과 같이 풀 수 있으며
우선 Vb는 배터리 전압이며 V1와 V2는 R0를 넣기 전의 각각의 저항에 걸리는 전압입니다. 때문에 하단의 식처럼 표현이 될 수 있으며

여기서 R0를 추가함으로써 다시 다음과 같이 KCL을 노드에 적용하여 표현할 수 있습니다.

그리고 최종적으로 다음과 같은 식을 뽑아낼 수 있습니다.

그리고 만약 하단의 조건들을 만족한다면 isolation을 만족했다고 판단할 수 있으며 만족 못할 때는 문제가 있다는 것으로 판단하면 되겠습니다.


마찬가지로 R2를 알아내기 위해서도 동일한 과정을 진행하면 하단의 식처럼 표현이 가능하며

그리고 하단의 조건을 만족한다면 isolation이다라고 판단할 수 있습니다.

1f. Thermal control
마지막으로 Thermal control입니다. 보통 리튬이온 전지 같은 경우 매우 잘 운용되고 수명 및 성능의 저하가 없는 온도 범위가 바로 10~40도 구간입니다.

그러나 만약 안전 온도 범위를 넘어가는 상황이 외부환경이나 내부적 손상으로 인해 발생한다면 최종 단계인 (최상층) Thermal Runaway 즉 열 폭주 현상까지 이르게 되어 폭발에 이릅니다. 때문에 Air cooling 시스템은 반드시 필요로 하며 냉매를 이용하거나 또는 열 전도율이 높은 장비들을 사용하여 온도 관리를 해줘야 합니다. 마찬가지로 낮은 온도에서는 전해질이 응고하면서 반응이 느려지게 되는 상황이 발생하기 때문에 heating 또한 반드시 필요한 시스템입니다.
Reference : Introduction to Battery Management System ( 1.3.1 ~ 1.3.7 )
'전공 관련 (Major) > 강의 (Lecture)' 카테고리의 다른 글
| 5. Battery Management System의 5가지 조건 (2) | 2021.01.14 |
|---|---|
| 2.전기화학 전지 구성 및 과정 (0) | 2021.01.10 |
| 1. 배터리 관련 개념 및 용어 정리 (0) | 2021.01.10 |
| 3. 전기화학 관련 용어 정리 (0) | 2021.01.10 |
| 4. 리튬 이온 전지란 (구성, 장단점, 원리, 재료의 현황) (0) | 2021.01.10 |
댓글